Electromechanical Actuator

ServoMax® Series

for 600~5,000kg Level Drone

600~5,000kg Level Drone

ServoMax150

High Altitude and Long Endurance Capabilities for eVTOL Air Taxi,
Cargo Drone & Unmanned System

Characteristics

  • All-in-one actuator with embedded high-speed DSP
  • High-torque motor and precision gearing
  • Non-contact sensor for accurate, long-life feedback
  • Jitter-suppressed control for stability
  • Designed to comply with military EMC and environmental specs

Specifications

  • Processor

    High Performance DSP

  • Motor

    Permanent Magnet Synchronous

  • Position Sensor

    Contactless

  • Databus

    Dual CAN 2.0 A/B

  • Rated Torque

    ≥ 132 kgf·cm

  • Max. Operating Torque

    ≥ 228 kgf·cm, Limited Time

  • Rated Speed

    ≥ 160 °/s @ 28 VDC

  • No Load Speed

    ≥ 170 °/s @28VDC

  • Operating Voltage

    18 ~ 32 VDC

  • Angular Backlash

    ≤ 0.3°

  • Position Accuracy

    ≤ 0.5°

  • Bandwidth

    ≥ 5Hz @ 2° Sine Wave

  • Weight

    ≤ 890g

  • Gears

    Stainless Steel

  • Housing

    Aluminum , Anodized

  • Max. Travel Range

    ±170°

  • Connector

    Aerospace Grade Circular Connector

  • Operating Temperature

    -40°C ~ 71°C

  • Environmental Qualifications

    MIL-STD-810x Selected Items

  • Electromagnetic Compliance

    MIL-STD-461x Selected Items

  • MTBF

    ≥ 2,000hr

Interface

Pin#FunctionWiring
1--
2CAN_A_HTwisted Pair, Shield
3PWR_IN-
4PWR_RET-
5--
6--
7--
8CAN_B_HTwisted Pair, Shield
9CAN_A_LTwisted Pair, Shield
10PWR_IN-
11PWR_RET-
12CHASSIS-
13CAN B_LTwisted Pair, Shield

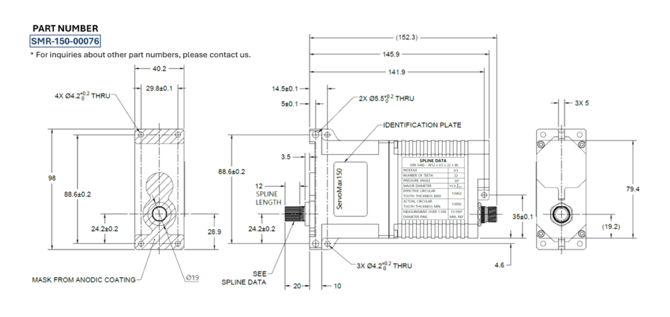
Dimension

NTI Chart

Contact Us

For inquiries, contact us at
tech@contromax.com
or fill out the form by clicking the button below.

Request Quote